Phasor-to-Discrete Interface
The Specialized Power Systems library will be removed in R2026a. Use the Simscape™ Electrical™ blocks and functions instead. For more information on updating your models, see Upgrade Specialized Power Systems Models to use Simscape Electrical Blocks.
Libraries:
Simscape /
Electrical /
Specialized Power Systems /
Utilities
Description
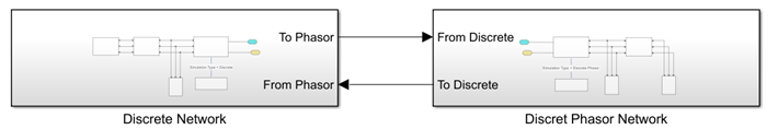
Use the Phasor-to-Discrete Interface block with a Discrete-to-Phasor Interface block to connect a network simulated in Discrete Phasor mode to a network simulated in Discrete mode. The Phasor-to-Discrete Interface block must be used in a subsystem or Model Reference that has a Powergui block with Simulation type set to Discrete phasor. The electrical network that this subsystem contains is called the Discrete Phasor Network.
An associated Discrete-to-Phasor Interface block must be used in another subsystem or Model Reference that has a Powergui block with Simulation type set to Discrete. The electrical network contained that this subsystem contains is called the Discrete Network.


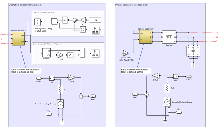
The Phasor-to-Discrete Interface block and the Discrete-to-Phasor Interface block form a decoupling device system. Each phase terminal of the Phasor-to-Discrete Interface block consists of a controlled Voltage Source block in series with a Current Measurement block and a resistor, connected to a series inductance and shunt capacitor, as shown in the right section of this model:

The Phasor-to-Discrete Interface block send the voltages measured at the A, B, and C terminals of the block to the Discrete-to-Phasor Interface block. It also phase shift the phasor voltages received by the Discrete-to-Phasor block. Because the Phasor-to-Discrete Interface block and the Discrete-to-Phasor Interface block act together to model a single decoupling system, the values specified for the resistance Rc, nominal frequency F, and sample time Ts parameters must be the same in the two blocks.
Ports
Conserving
Simulink
Parameters
Extended Capabilities
Version History
Introduced in R2023a
