Dual Active Bridge

Introduction aux Dual Active Bridges

Un Dual Active Bridge (DAB) est un convertisseur DC-DC qui permet un transfert de puissance bidirectionnel et une isolation galvanique. Son utilisation est envisagée dans les applications destinées aux systèmes de batteries, aux énergies renouvelables, aux transformateurs à semi-conducteurs et aux réseaux à basse et moyenne tension. Il présente des caractéristiques de design flexibles permettant de répondre à des exigences spécifiques en termes de tension et de puissance, avec des possibilités de commutation douce. L'adaptabilité du design lui permet d'atteindre un rendement supérieur à 98 % pour une plage de fonctionnement visée. Il peut être empilé pour des tensions plus élevées, modifié pour offrir une fonctionnalité AC, ou parallélisé pour augmenter le flux de puissance et améliorer les harmoniques.

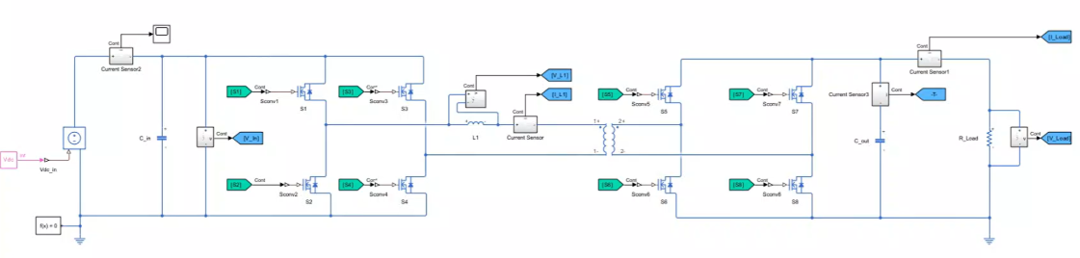
Un Dual Active Bridge est constitué de deux ponts complets séparés par un transformateur haute fréquence et un inducteur. En fonction de la stratégie de contrôle, un condensateur de blocage DC peut également être inclus. Le schéma ci-dessous montre la configuration d'un DAB monophasé.

Schéma du circuit d'un Dual Active Bridge monophasé. Deux ponts complets sont reliés par un inducteur et un transformateur haute fréquence.

Figure 1. Dual Active Bridge monophasé.

Le nombre d'équipements impliqués dans un Dual Active Bridge, combiné avec les approches de contrôle par modulation de phase, se prête au contrôle numérique. Le design d'un Dual Active Bridge nécessite une combinaison de design de contrôle numérique et de simulation électrique de haute qualité. Avec Simulink® et Simscape Electrical™, vous pouvez modéliser et simuler les algorithmes de contrôle et l'électronique d'un Dual Active Bridge. Le code peut être généré à partir des modèles pour la simulation temps réel et l'implémentation du code de production. Cela vous permet d'appliquer l'approche Model-Based Design à tous les aspects du design de votre Dual Active Bridge.

Modélisation et simulation

Vous pouvez immédiatement vous lancer dans la simulation d'un Dual Active Bridge grâce aux exemples proposés dans Simscape Electrical. Simscape Electrical offre plusieurs niveaux de fidélité pour les équipements actifs et passifs avec une large gamme d'options pour la modélisation thermique et les pertes de commutation.

Capture d'écran de Simulink affichant un exemple de modèle Simscape Electrical d'un Dual Active Bridge.

Figure 2. Exemple de modèle Simscape Electrical d'un Dual Active Bridge.

En savoir plus

Design du système de contrôle

Dans Simulink, vous pouvez développer des algorithmes de contrôle pour un Dual Active Bridge monophasé ou triphasé. La simulation des algorithmes de contrôle avec le modèle DAB vous permet d'ajuster les paramètres du contrôleur afin d'obtenir des performances optimales pour des exigences de design données. Il existe différentes stratégies de contrôle, telles que la modulation trapézoïdale ou triangulaire, mais la plus courante est la modulation à décalage monophasé, qui est expliquée dans la section consacrée à la modulation à la fin de cette page.

Génération de code embarqué

Lorsque vous êtes satisfait de vos algorithmes de contrôle de DAB, vous pouvez générer du code C ou HDL à partir de votre modèle Simulink. Ce code est prêt à être déployé sur des microcontrôleurs, des SoC et des FPGA, et peut être optimisé pour des fournisseurs de hardware spécifiques.

Tutoriel sur la modulation monophasée

L'approche la plus courante pour le contrôle et le fonctionnement d'un Dual Active Bridge consiste à utiliser une modulation monophasée. Le contrôle est assuré en générant deux signaux PWM avec un rapport cyclique de 50% et déphasés l'un par rapport à l'autre. Plus le déphasage est important, plus le flux de puissance traversant le convertisseur est élevé. Sur la Figure 3, le côté gauche est contrôlé par le premier signal PWM et son complément, tandis que le côté droit est contrôlé par le deuxième signal PWM et son complément. Cela permet quatre combinaisons de tension aux bornes de l'inducteur. Les tensions sources positives et négatives se trouvent d'un côté, et la tension de charge positive ou négative référencée se trouve de l'autre. Ces quatre modes sont obtenus avec comme seule variable de contrôle l'angle de phase, qui suffit à générer les huit impulsions de déclenchement. Des schémas de contrôle plus avancés augmentent le nombre de variables de contrôle pour améliorer le fonctionnement et le rendement (en maximisant la commutation douce).

Le fonctionnement de base d'un DAB utilisant l'approche de contrôle par modulation monophasée est illustré sur l'animation ci-dessous. Ce fonctionnement sera ensuite décomposé élément par élément pour se concentrer sur les modes de fonctionnement spécifiques illustrés dans ce graphique.

Figure 3. Fonctionnement monophasé d'un Dual Active Bridge avec flux de puissance positif.

La ligne violette au-dessus de l'inducteur correspond au tracé du courant de l'inducteur. Les deux ondes carrées sous l'inducteur sont les deux signaux PWM. Cet exemple utilise un déphasage positif de 45 degrés qui est exagéré pour faciliter la visualisation des différents modes. L'onde carrée verte de grande amplitude contrôle le pont complet de gauche, et l'onde carrée bleue plus petite contrôle le pont complet de droite. La tension de charge, lorsqu'elle est référencée aux bornes du transformateur, est inférieure de 20 % à la tension source. Un flux de puissance inverse est obtenu avec un déphasage négatif.

Modes de fonctionnement

Cette section examine quatre modes de fonctionnement principaux avec des images statiques.

Tracé du courant de l'inducteur, de la tension de l'inducteur et du rapport cyclique commandant les deux ponts complets. Des lignes pointillées séparent les modes de fonctionnement en fonction des quatre tensions susceptibles d'être appliquées aux bornes de l'inducteur.

Figure 4. Modes de fonctionnement d'un Dual Active Bridge monophasé.

Dans la Figure 4, le flux de puissance est principalement obtenu dans les modes A et C, les modes B et D étant nécessaires pour créer un signal AC permettant de transmettre la puissance à travers le transformateur haute fréquence. Il en résulte la circulation d'un courant, qui doit être prise en compte dans le design et éventuellement minimisée en fonction des stratégies de design et de contrôle.


Références logicielles


Voir aussi: simulation d'électronique de puissance, design du contrôle numérique de convertisseurs DC-DC avec Simulink, Simscape Electrical