Pressure Control Servo Valve
This example shows how to model, parameterize, and test a pressure control servo valve with a closed loop control. This example also generates a comparison plot between the commanded and the achieved pressure in the actuator with respect to the time. This valve provides a precise and fast control of the pressure in the actuator with a very small electrical signal to the torque motor. These valves are used in the aerospace industry and the automotive industry for the safety critical applications.
Model
The following figure shows the model of a pressure control servo valve. Here P represents the pressure source port, T represents the reservoir, and A represents the actuator port.

Pressure Control Servo Valve Subsystem
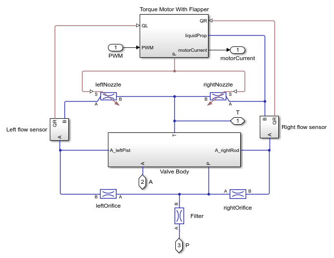
This subsystem shows how the pressure control servo valve is modeled. This subsystem includes modeling of the flapper nozzle amplifier circuit, the torque motor, and the valve body. The flapper nozzle amplifier circuit includes modeling of the left and the right side nozzle around the flapper, the filter, and the left and right side fixed orifices. The flapper nozzle amplifier circuit controls the pressure on the spool's left surface and the spool's right side extended rod.

Torque Motor with Flapper Subsystem
This subsystem shows how the torque motor with the flapper is modeled. The flapper transfers the load torque to the torque motor. The load torque is generated due to the forces on the flapper from the flexure tube compression and the nozzle jets.

Valve Body Subsystem
This subsystem shows how the valve body is modeled. This subsystem includes modeling of the spool dynamics, the orifices opened and closed between the P to A and A to T ports due to the spool movement, and the drilled orifice in the spool's right surface. The spool dynamics includes modeling of the forces on the spool due to pressure, flexure tube compression, change in the direction of the fluid flow, friction, damping, spool spring compression, and the hard stop.

Servo Controller Subsystem
This subsystem shows how the servo controller is modeled. There are two control loops. The inner loop controls the motor current and the outer loop controls the pressure in the actuator.

Simulation Results from Simscape Logging
This model generates a comparison plot between the commanded and the achieved pressure in the actuator with respect to the time.
