SM AC10C
Discrete- or continuous-time synchronous machine AC10C excitation system including an automatic voltage regulator and an exciter
Since R2023a
Libraries:
Simscape /
Electrical /
Control /
SM Control
Description
The SM AC10C block implements a synchronous machine (SM) AC10C excitation system model in conformance with IEEE Std 421.5-2016 [1].
Use this block to model the control and regulation of the field voltage of a synchronous machine that operates as a generator using an AC rotating exciter.
Switch between continuous and discrete implementations of the block by using the
Sample time (-1 for inherited) parameter. To configure the
integrator for continuous time, set the Sample time (-1 for
inherited) parameter to 0. To configure the integrator
for discrete time, set the Sample time (-1 for inherited) parameter
to a positive scalar. To inherit the sample time from an upstream block, set the
Sample time (-1 for inherited) parameter to
-1.
The SM AC10C block comprises five major components:
The Current Compensator component modifies the measured terminal voltage as a function of the terminal current.
The Voltage Measurement Transducer component simulates the dynamics of a terminal voltage transducer using a low-pass filter.
The Excitation Control Elements component compares the voltage transducer output with a terminal voltage reference to produce a voltage error. This voltage error is then passed through a voltage regulator to produce the exciter field voltage.
The AC Rotating Exciter component models the AC rotating exciter, which produces a field voltage that is applied to the controlled synchronous machine. The block also feeds the exciter field current (VFE) back to the excitation system.
The Power Source component models the dependency of the power source for the controlled rectifier from the terminal voltage.
This diagram shows the structure of the AC10C excitation system model:

In the diagram:
VT and IT are the measured terminal voltage and current of the synchronous machine, respectively.
VC1 is the current-compensated terminal voltage.
VC is the filtered, current-compensated terminal voltage.
VREF is the reference terminal voltage.
VS is the power system stabilizer voltage.
SW1 is the power source switch that you specify for the controlled rectifier.
VB is the exciter field voltage.
EFE and VFE are the exciter field voltage and current, respectively.
EFD and IFD are the field voltage and current, respectively.
Current Compensator and Voltage Measurement Transducer
The block models the current compensator by using this equation:
where:
RC is the load compensation resistance.
XC is the load compensation reactance.
The block implements the voltage measurement transducer as a Low-Pass Filter block with the time constant TR. Refer to the documentation for the Low-Pass Filter block for information about the exact discrete and continuous implementations.
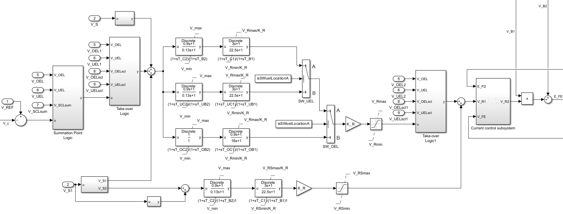
Excitation Control Elements
This diagram shows the structure of the excitation control elements:

In the diagram:
The Summation Point Logic subsystem models the summation point input location for the overexcitation limiter (OEL), underexcitation limiter (UEL), and stator current limiter (SCL). For more information about using limiters with this block, see Field Current Limiters.
There are two Take-over Logic subsystems. They model the take-over point input location for the OEL, UEL and SCL voltages. For more information about using limiters with this block, see Field Current Limiters.
A parallel configuration of Lead-Lag (Discrete or Continuous) blocks offer independent control settings when a limiter is active. The model offers a common gain factor KR and two Lead-Lag (Discrete or Continuous) blocks for the AVR and for the underexcitation and overexcitation limiters. The SW_UEL and SW_OEL Switch blocks activate the appropriate control path when the VUEL and/or VOEL signals are connected to their respective alternate positions. The SW_UEL and SW_OEL Switch blocks are on position B when you set the Alternate UEL input locations (V_UEL) and Alternate OEL input locations (V_OEL) parameters to
Take-over at voltage error.The two Lead-Lag blocks in each control path model additional dynamics associated with the voltage regulator and with the underexcitation and overexcitation limiters. The first Lead-Lag block in each respective path represents a transient gain reduction, where TC2 (or TUC2 and TOC2) is the lead time constant and TB2 (or TUB2 and TOB2) is the lag time constant. The second Lead-Lag block allows the possibility of representing a transient gain increase, where TC1 (or TUC1 and TOC1) is the lead time constant and TB1 (or TUB1 and TOB1)is the lag time constant. See the documentation for the Lead-Lag block for information about the discrete and continuous implementations.
The control signal VR1 is either directly controlling the power stage or serves as reference for a cascaded exciter field current control loop. For more information about the Current control subsystem, see Current Control Subsystem.
Current Control Subsystem
The SM AC10C block bypasses the Current control subsystem when the
SW_SS Switch block is on position “A”, when you set the Exciter field
current regulator proportional gain, K_CR (pu) and Exciter
field current limiter proportional gain, K_LIM (pu) parameter to
0. The Current control subsystem is active when the SW_SS
Switch block is on position “B.” The Current control subsystem also offers a limiter
to avoid overloads of the exciter machine and to limit the exciter current to the
value of the Exciter field current limiter reference, V_FELIM
(pu) parameter.

The exciter field current limiter is active when the SW_LIM Switch block is on position “B”, when the Exciter field current limiter proportional gain, K_LIM (pu) parameter is greater than zero. The limiter is bypassed when the SW_LIM Switch block is on position “A.” The SW_EXC Switch block allows you to choose the feedback variable.
Field Current Limiters
You can use different types of field current limiter to modify the output of the voltage regulator under unsafe operating conditions:
Use an overexcitation limiter to prevent overheating of the field winding due to excessive field current demand.
Use an underexcitation limiter to boost field excitation when it is too low, which risks desynchronization.
Use a stator current limiter to prevent overheating of the stator windings due to excessive current.
Attach the output of any of these limiters at one of these points:
Summation point — Use the limiter as part of the automatic voltage regulator (AVR) feedback loop.
Take-over point — Override the usual behavior of the AVR.
If you are using the stator current limiter at the summation point, use the input VSCLsum. If you are using the stator current limiter at the take-over point, use the overexcitation input VOELscl, and the underexcitation input VUELscl.
AC Rotating Exciter
This diagram shows the structure of the AC rotating exciter:

In the diagram:
The exciter field current VFE is the sum of three signals:
The nonlinear function Vx models the saturation of the exciter output voltage.
The proportional term KE models the linear relationship between the exciter output voltage and the exciter field current.
The subsystem models the demagnetizing effect of the load current on the exciter output voltage using the demagnetization constant KD in the feedback loop.
The Integrator with variable limits subsystem integrates the difference between EFE and VFE to generate the exciter alternator output voltage VE. TE is the time constant for this process.
The nonlinear function FEX models the exciter output voltage drop from the rectifier regulation. This function depends on the constant KC, which itself is a function of commutating reactance.
The parameters VEmin and VFEmax model the lower and upper limits of the rotating exciter.
Power Source
You can use different power source representations for the controlled rectifier by
setting the Power source selector SW1 parameter value. To
derive the power source for the controlled rectifier from the terminal voltage, set
the Power source selector SW1 parameter to
Position A: power source derived from terminal
voltage. To specify that the power source is independent of the
terminal voltage, set the Power source selector SW1 parameter
to Position B: power source independent from the terminal
conditions.

Ports
Input
Output
Parameters
References
[1] “IEEE Recommended Practice for Excitation System Models for Power System Stability Studies.” IEEE Std 421.5-2016 (Revision of IEEE Std 421.5-2005), August 2016, 1–207. https://doi.org/10.1109/IEEESTD.2016.7553421.
Extended Capabilities
Version History
Introduced in R2023a
