Correction de facteur de puissance

Correction de facteur de puissance

Le facteur de puissance est une valeur qui décrit l'efficacité avec laquelle un système électrique à courant alternatif (AC) convertit l'énergie électrique en travail utile. La correction de facteur de puissance est le processus permettant d'améliorer le facteur de puissance d'un système d’alimentation électrique dans le but de le rendre plus efficace.

Le facteur de puissance d'un circuit à courant alternatif est le rapport entre la puissance réelle instantanée utilisée par une charge électrique et la puissance apparente circulant dans le circuit. Il s'agit d'une mesure de l'efficacité avec laquelle la puissance est transmise et utilisée par les charges reliées à un réseau électrique, mettant en évidence le lien entre la puissance réelle (qui effectue un travail effectif) et la puissance apparente (qui est fournie au circuit).

\[Power \; Factor = cosθ = \frac{Real \; Power \; (kW)}{Apparent \; Power \; (kVA)}\]

Le facteur de puissance est représenté par \(cosθ\), où \(θ\) est l'angle entre la puissance réelle et la puissance apparente dans le triangle vectoriel des puissances ci-dessous.

Un triangle avec un angle θ entre la puissance apparente et la puissance réelle dans un circuit.

Triangle vectoriel des puissances.

Le facteur de puissance est exprimé par une valeur numérique comprise entre 0 et 1 (ou en pourcentage), une valeur de 1 (ou 100 %) correspondant à une efficacité maximale. Un facteur de puissance inférieur à 1 indique que le courant et la tension ne sont pas en phase dans un circuit à courant alternatif.

Techniques de correction de facteur de puissance

Les techniques de correction de facteur de puissance sont des stratégies et des méthodes employées pour améliorer le facteur de puissance d'un système d’alimentation électrique afin qu'il se rapproche de 1, dans le but de le rendre plus efficace. Plusieurs techniques sont utilisées pour corriger le facteur de puissance.

Compensateurs synchrones

Un compensateur synchrone, qui est en fait un moteur synchrone fonctionnant sans charge mécanique, peut être réglé pour fournir des voltampères réactifs (VAR) en avance ou en retard, selon les besoins. Cette approche permet d'équilibrer dynamiquement le facteur de puissance dans des conditions de charge variables.

Par exemple, un grand parc éolien utilise un compensateur synchrone près de son point de connexion au réseau électrique pour compenser le facteur de puissance variable découlant de la fluctuation de la vitesse du vent et des charges inductives des transformateurs. Ce compensateur s'ajuste dynamiquement, fournissant ou absorbant la puissance réactive en fonction des besoins, stabilisant la tension du réseau, assurant une transmission efficace de la puissance et minimisant les pertes, permettant ainsi une alimentation électrique fiable et efficace malgré de la variabilité du vent.

Compensateurs de phase

Utilisés principalement avec les moteurs à induction, les compensateurs de phase sont des dispositifs qui fournissent le courant anticipé nécessaire au rotor, réduisant ainsi les VAR en retard prélevés sur l'alimentation. Cette technique améliore le facteur de puissance du moteur lui-même et de l'ensemble du système. 

Correction active du facteur de puissance

La correction active du facteur de puissance est une technique utilisée dans les circuits et dispositifs électroniques, qui fait appel à l'électronique de puissance pour modifier la forme d'onde du courant consommé par la charge afin d’améliorer le facteur de puissance. Cette méthode est particulièrement efficace pour les charges non linéaires, telles que celles des alimentations à découpage.

Les alimentations à découpage utilisées dans les ordinateurs, en tant que charges non linéaires, peuvent introduire une quantité importante de distorsion harmonique dans le système électrique et présenter un facteur de puissance médiocre si elles ne sont pas corrigées. Pour résoudre ce problème, de nombreuses alimentations d'ordinateurs intègrent un circuit PFC actif.

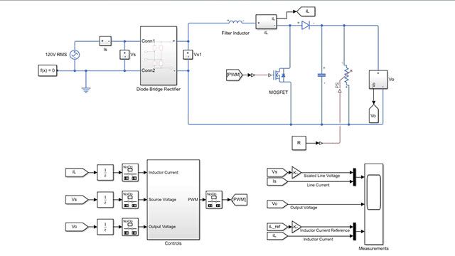
Capture d'écran d'un modèle Simscape Electrical pour la correction de facteur de puissance montrant le convertisseur boost, les contrôles et l'étendue du circuit.

Modélisation de la correction de facteur de puissance pour un convertisseur boost à mode de conduction continu (CCM) dans Simscape Electrical (voir l'exemple).

Correction passive du facteur de puissance

La correction passive du facteur de puissance consiste à utiliser des éléments passifs tels que des condensateurs et des inducteurs pour améliorer le facteur de puissance. Cette méthode est plus simple et moins coûteuse que la correction active du facteur de puissance, mais elle est généralement moins efficace pour corriger le facteur de puissance de charges non linéaires.

Par exemple, les tubes fluorescents dans les bâtiments commerciaux, en tant que charges inductives, peuvent provoquer un décalage du facteur de puissance, ce qui entraîne une augmentation du coût pour le fournisseur d'électricité et une réduction de l'efficacité du système électrique. Pour y remédier, des condensateurs sont installés en parallèle avec le circuit d'éclairage. Ces condensateurs fournissent de la puissance réactive en amont, contrebalançant la puissance réactive en aval absorbée par les lumières, et améliorant ainsi le facteur de puissance.

En conclusion, l'amélioration du facteur de puissance par ces techniques peut apporter des avantages significatifs, notamment la réduction des coûts énergétiques, l'augmentation de la capacité du système et l'amélioration de la régulation de la tension, contribuant ainsi à un système électrique plus efficace et plus fiable.

Vous pouvez utiliser MATLAB®, Simulink® et Simscape Electrical™ pour concevoir, simuler et analyser les convertisseurs de puissance, les moteurs à courant alternatif, les stabilités des systèmes d'alimentation, le flux de charge et les harmoniques d'un système en utilisant des bibliothèques incorporées qui contiennent des modèles de divers composants et systèmes. Cette approche vous permet de procéder à une analyse détaillée de la performance de ces systèmes dans différentes conditions et de l’optimiser. En utilisant Embedded Coder®, vous pouvez générer un code de production pour le contrôleur et mener des tests Hardware-in-the-Loop (HIL) pour évaluer la performance du contrôleur dans diverses conditions d'utilisation. Ce processus permet d'atténuer les risques et d'optimiser la performance du système d'électronique de puissance utilisé pour améliorer la qualité de l’alimentation.


Voir aussi: contrôle de convertisseur dc-dc, Simscape Electrical, contrôle PID, simulation d'électronique de puissance, analyse en petits signaux, C2000 Microcontroller Blockset