Model Predictive Control Toolbox

 

Model Predictive Control Toolbox

Concevoir et simuler des contrôleurs prédictifs

La vidéo dure 2:18
Graphique illustrant les méthodes de contrôleurs MPC linéaires et quand il est souhaitable les utiliser.

Design de contrôleurs MPC linéaires

Concevez des contrôleurs MPC implicites, de type « séquencement de gain » et adaptatifs qui résolvent un problème de programmation quadratique (QP). Générez un contrôleur MPC explicite à partir d'un design implicite. Utilisez un MPC à variables de contrôle discrètes pour les problèmes de programmation quadratique en nombres entiers mixtes.

Paramètres de design MPC affichés dans l'application MPC Designer.

Application MPC Designer

Utilisez l'application MPC Designer pour concevoir de manière interactive des contrôleurs MPC implicites, linéariser votre modèle Simulink avec Simulink Control Design, valider les performances du contrôleur à l'aide de scénarios de simulation et comparer les réponses de plusieurs designs.

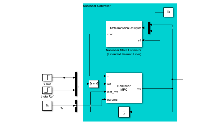
Modèle Simulink avec un bloc MPC non linéaire.

Design de contrôleurs MPC non linéaires

Concevez des contrôleurs MPC non linéaires et économiques qui utilisent Optimization Toolbox pour résoudre un problème de programmation non linéaire (NLP). Utilisez une formulation à simple ou multi-étages pour la planification optimale et le système d'asservissement.

Parking animé avec un véhicule suivant une trajectoire de stationnement.

Design d'un MPC pour la conduite autonome

Accélérez le développement de systèmes de conduite autonome en utilisant des blocs Simulink prédéfinis conformes aux normes ISO 26262 et MISRA C. Les blocs prédéfinis supportent la planification et le suivi de trajectoire, la régulation adaptative de la vitesse et bien d'autres applications.

Graphique illustrant les solveurs d'optimisation linéaires, non linéaires et personnalisés supportés par Model Predictive Control Toolbox.

Solveurs d’optimisation MPC

Choisissez parmi les solveurs QP prédéfinis, active-set, interior-point et mixed-integer, ou utilisez des solveurs NLP depuis Optimization Toolbox. Vous pouvez également utiliser les solveurs FORCESPRO (d’Embotech) ou votre propre solveur personnalisé.

Illustration du contrôleur MPC avec un modèle de Deep Learning utilisé pour la prédiction.

Spécification du modèle de prédiction

Spécifiez des modèles de prédiction analytiquement avec Control System Toolbox ou Symbolic Math Toolbox, en linéarisant un modèle Simulink avec Simulink Control Design, ou par le biais de données mesurées avec System Identification Toolbox et Deep Learning Toolbox.

Rapport présentant des recommandations sur les paramètres de design du MPC.

Estimation d'états et revue du design

Estimez les états du contrôleur à partir des sorties mesurées avec l'estimateur d'états proposé dans la toolbox ou un estimateur d’états personnalisé. Détectez les problèmes potentiels de stabilité et de robustesse de votre design de contrôleur MPC linéaire avec la fonction de diagnostic prédéfinie.

Navigateur de la bibliothèque de blocs de Simulink pour Model Predictive Control Toolbox.

Simulation en boucle fermée

Évaluez les performances de votre contrôleur en exécutant des simulations en boucle fermée dans Simulink avec des blocs Simulink conformes aux normes ISO 26262 et MISRA C, ainsi que dans MATLAB avec des fonctions en ligne de commande. Automatisez les tests pour plusieurs scénarios avec Simulink Test.

Rapport de génération de code (avec code généré) à partir du bloc MPC Controller.

Génération de code

Générez automatiquement du code de production C/C++ et CUDA, ou du texte structuré IEC 61131-3, à partir de contrôleurs MPC conçus dans MATLAB et Simulink. Déployez le code vers une variété de cibles telles que des ECU, GPU et PLC.

« Sumitomo Construction Machinery a réduit de 15 % sa consommation de carburant sans réduire la performance dynamique de l'excavatrice. Ce meilleur rendement est en partie dû à une réduction de 50 % des fluctuations de vitesse du moteur obtenue grâce à Model Predictive Control Toolbox et au design amélioré du système de contrôle. »

Vous souhaitez en savoir plus sur le produit  Model Predictive Control Toolbox ?


Prêt à acheter ?

Découvrez les tarifs et les produits.

Vous êtes étudiant ?

Votre établissement propose peut-être déjà un accès à MATLAB, Simulink et d'autres produits complémentaires via la licence Campus-Wide.