Simscape Fluids
Modéliser et simuler des systèmes fluides
Vous avez des questions ? Contacter un commercial.
Vous avez des questions ? Contacter un commercial.
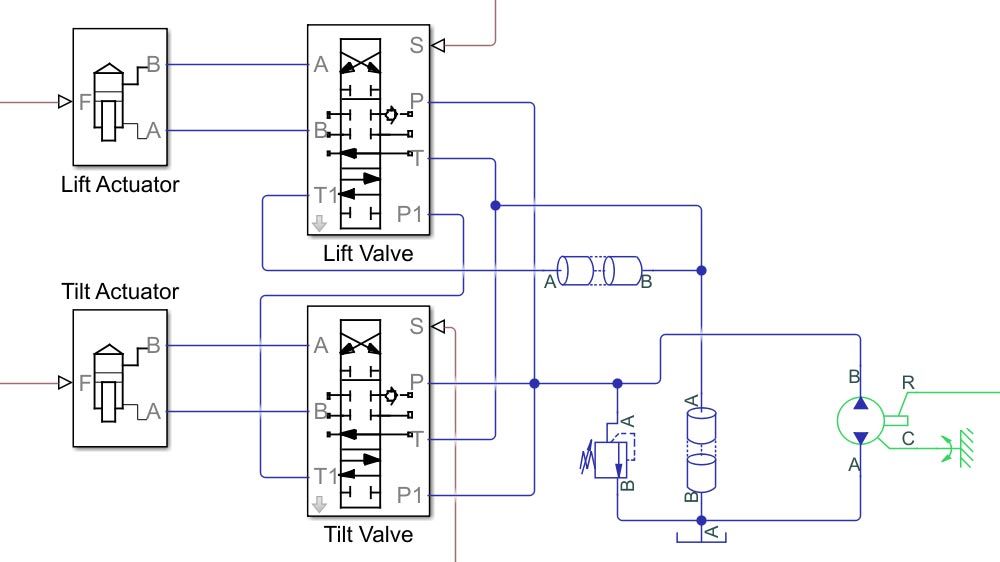
Simscape Fluids (anciennement SimHydraulics) contient des bibliothèques de composants permettant de modéliser et de simuler des systèmes fluides. Vous y trouverez des modèles de pompes hydrauliques, de valves, d'actionneurs, de pipelines et d'échangeurs de chaleur. Vous pouvez utiliser ces composants pour développer des systèmes de transmission de puissance hydraulique présents par exemple dans les engins de chantier, les directions assistées ou encore les trains d'atterrissage. Simscape Fluids vous permet également de développer des systèmes de refroidissement de moteurs, de lubrification de boîtes de vitesses et d'alimentation en carburant. Vous pouvez intégrer des systèmes mécaniques, électriques, thermiques et d'autres systèmes physiques dans votre modèle à l'aide de composants provenant de la famille de produits Simscape.
Simscape Fluids permet de développer des systèmes de contrôle et donc de tester les performances du système complet. Vous pouvez créer des modèles de composants personnalisés à l'aide du langage Simscape basé sur MATLAB, ce dernier permet la création de composants, de domaines et de bibliothèques de modélisation physique. Vous pouvez paramétrer vos modèles à l'aide de variables et d'expressions MATLAB, mais aussi concevoir des systèmes de contrôle pour vos systèmes hydrauliques dans Simulink. Simscape Fluids supporte la génération de code C et permet ainsi le déploiement de vos modèles vers d'autres environnements de simulation, notamment les systèmes Hardware-in-the-Loop (HIL).
Modélisez des systèmes d'actionneurs pour des engins de chantier, des machines de production et des sous-systèmes aéronautiques. Évaluez les effets thermiques et concevez des algorithmes de contrôle.
Modélisez des systèmes de gestion thermique pour des batteries, des véhicules, des bâtiments et d'autres applications. Évaluez l'architecture système et affinez les exigences au niveau des composants.
Modélisez le transport des fluides dans les réservoirs de carburant, les réseaux d'approvisionnement, les groupes de lubrification et autres systèmes. Automatisez les tests dans des conditions de fonctionnement prévisibles et anormales.
Minimisez les pertes, les temps d'immobilisation et les coûts en créant des algorithmes pour prévoir les défaillances des composants. Modélisez les composants défectueux, comme un joint qui fuit ou des orifices obstrués.
Vérifiez le comportement du système dans des conditions difficilement reproductibles avec des prototypes physiques. Exécutez des ensembles de tests en parallèle sur une station de travail multicœurs ou sur un cluster d’ordinateurs.
Convertissez votre modèle Simscape en code C pour tester des algorithmes de contrôle. Exécutez des tests HIL sur dSPACE®, Speedgoat et sur d'autres systèmes temps réel avant de passer aux tests physiques.
Utilisez MATLAB pour automatiser les tâches telles que l'assemblage, les tests et le post-traitement des modèles. Utilisez Simulink pour intégrer les algorithmes de contrôle et le design hardware dans un environnement unique.
Les modèles Simscape vous aident à affiner vos exigences, concevoir des systèmes de contrôle, tester des contrôleurs embarqués et supporter les activités en service sous forme de jumeau numérique.
La famille de produits Simscape propose des modèles et une technologie de solveur permettant de simuler des systèmes physiques. Modélisez des systèmes électriques, mécaniques, fluides et autres systèmes physiques en assemblant des composants dans un schéma.
Modéliser et simuler des systèmes physiques multi-domaines
Modéliser et simuler des systèmes électroniques, mécatroniques et électriques
Concevoir et simuler des systèmes de batteries et de stockage d'énergie
Modéliser et simuler des systèmes fluides
Modéliser et simuler des systèmes mécaniques en rotation et translation
Modéliser et simuler des systèmes mécaniques multicorps
« C'était techniquement impossible pour nous de construire un modèle de système hydraulique à échelle réelle pour une exécution temps réel sans Simulink, Simscape et Simulink Real-Time. Notre simulateur nous permet de tester de nouveaux concepts pour les équipements de construction, de régler des paramètres, de réduire les délais de production et de minimiser les problèmes sur le terrain. »
Découvrez les possibilités dès aujourd'hui.
Découvrez les tarifs et les produits.
Votre établissement propose peut-être déjà un accès à MATLAB, Simulink et d'autres produits complémentaires via la licence Campus-Wide.